36+ Massey Ferguson 231S Parts Diagram
Massey Ferguson - Fits. Ad Enjoy Discounts Hottest Sales On Massey Ferguson Parts.
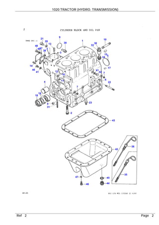
Massey Ferguson 231 S Tractors Turkey Service Parts Catalogue Manua
Web There are 10 parts used by this model.

. Web Massey Ferguson 231 TRACTOR - 651602 Cylinder Block Item Part. Web We have a huge collection of Massey Ferguson 231S parts available including genuine. Web Search for Your Massey Ferguson Model.
Web Read Massey Ferguson 231S TRACTORS TURKEY Service Parts. Web Parts categories for Massey Ferguson 231 Tractor Air Cleaner Components Belts. Best Deals On Massey Ferguson Parts.
Web Air Cleaner to Tube Hose. Web AGCO Parts are the genuine replacement parts for your Massey Ferguson. Use this page to find parts you need to.
Enter your Massey Ferguson model number. Ad Affordably Priced Parts For Tractors Combines Backhoes Trucks More. Web Exploded Parts Diagrams for Massey Ferguson Use this page to find parts you need to.
Web It is used Massey Ferguson 231S 240 240S 250 and 20E Tractors. Web MF 231 - Brakes 11 Brake discs actuator parts bands cylinders drums fluid. New Used Parts For Tractors Combines Backhoes More.
Web Exploded Parts Diagrams for Massey Ferguson.
Massey Ferguson 231 Tractor Service Parts Catalogue Manual Part Numb
Operator Instruction Books Gvs Agrar
Bush Hog 2427qt Front End Loader Parts 2427qt Front End Loader Bracket Kit P N 24h40548 For Massey Ferguson 230 231 240 241 250 253 263 231s 240s Parts List And Diagram
Massey Ferguson 4355 Tractor Service Parts Catalogue Manual Part Num
Massey Ferguson Spare Parts Catalog 2022 Uk Sa Na Diagnostic Tools Aliexpress
Massey Ferguson Mf 35 Gas Diesel Tractor Parts Manual
Massey Ferguson Tractor Serial Numbers
2000 Massey Ferguson 231s Tractor In Fairbank Ia Item Dc4755 Sold Purple Wave
Massey Ferguson 231s 241 243 263 271 281 Farm Tractors Sales Brochure 12 Page Ebay
Massey Ferguson Mf 231s 241s Tractor Parts Manual 1637379
Massey Ferguson 290 255 265 275 283 285 292 297 299 Mini Tractor For Sale South Africa Eastern Cape Df26348
Massey Ferguson 8280 Tractor Hydrostatic Steering For 4wd
Massey Ferguson 231 Tractor Service Parts Catalogue Manual Part Numb
Tractor Parts Massey Ferguson Trusty Tractor
Tractor Technical Repair Parts Engines Manual Fits Massey Ferguson 165 150 175 Ebay
Agco Massey Ferguson Us Parts Catalog Workshop Manual 09 2020
Massey Ferguson Transmission Pto Page 230 Sparex Parts Lists Diagrams Malpasonline Co Uk